![]() |
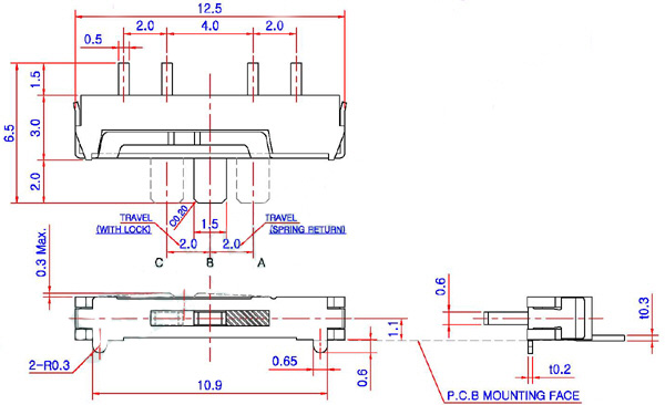
Product name:SS-1303R
Product class:SLIDE SWITCH
Click:3696times
Description:Note 1. Model Type : Slide Switch 2. Model Name : SS-1303R 3. Rating : 4V DC 0.3A 4. Life : 10,000cycles
Note
1. Model Type : Slide Switch
2. Model Name : SS-1303R
3. Rating : 4V DC 0.3A
4. Life : 10,000cycles
