![]() |
Product name:SP-061
Product class: PUSH SWITCH
Click:3265times
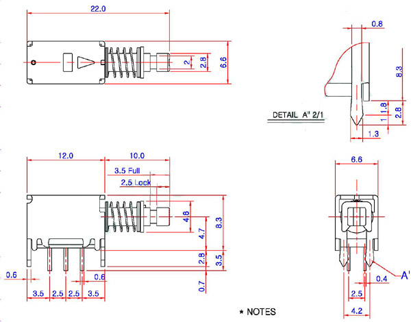
Description:Note 1. Model Type : Push Switch 2. Model Name : SP-061 3. Rating : 30V DC 0.3A 4. Life : 10,000cycles
Note
1. Model Type : Push Switch
2. Model Name : SP-061
3. Rating : 30V DC 0.3A
4. Life : 10,000cycles
