![]() |
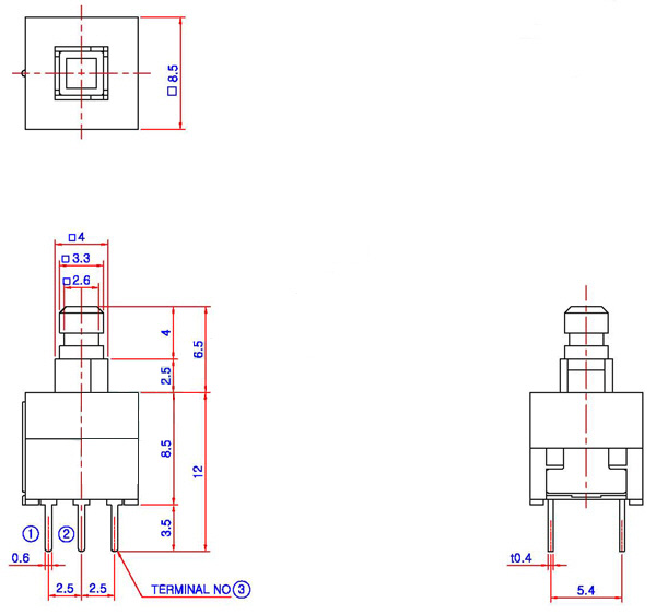
Product name:SP-2214A
Product class: PUSH SWITCH
Click:3040times
Description:Note 1. Model Type : Push Switch 2. Model Name : SP-2214A 3. Rating : 30V DC 0.1A 4. Life : 10,000cycles
Note
1. Model Type : Push Switch
2. Model Name : SP-2214A
3. Rating : 30V DC 0.1A
4. Life : 10,000cycles
