![]() |
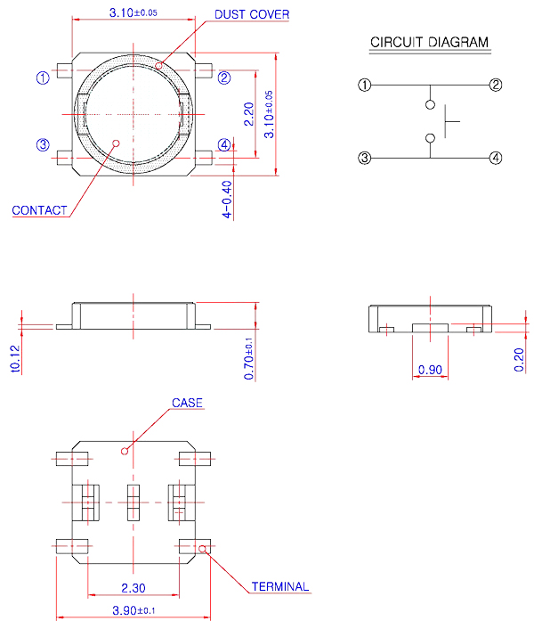
Product name:ST-1177N
Product class:SMD SWITCH
Click:4183times
Description:Note 1. Model Type : SMD Switch 2. Model Name : ST-1177N 3. Rating : 12V DC 50mA 4. Life : 100,000cycles
Note
1. Model Type : SMD Switch
2. Model Name : ST-1177N
3. Rating : 12V DC 50mA
4. Life : 100,000cycles
