![]() |
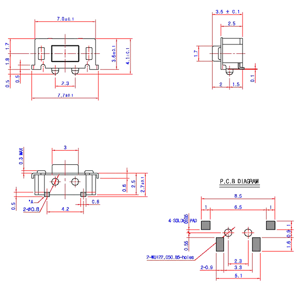
Product name:ST-1112A
Product class:SMD SWITCH
Click:4217times
Description:Note 1. Model Type : SMD Switch 2. Model Name : ST-1112A 3. Rating : 12V DC 50mA 4. Life : 50,000cycles
Note
1. Model Type : SMD Switch
2. Model Name : ST-1112A
3. Rating : 12V DC 50mA
4. Life : 50,000cycles
