![]() |
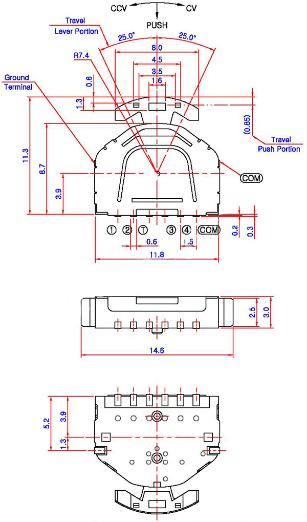
Product name:ST-1199A
Product class:SMD SWITCH
Click:2724times
Description:Note 1. Model Type : Multiway Switch 2. Model Name : ST-1199A 3. Rating : 5V DC 10mA 4. Life : 100,000cycles
Note
1. Model Type : Multiway Switch
2. Model Name : ST-1199A
3. Rating : 5V DC 10mA
4. Life : 100,000cycles
