![]() |
Product name:ST_1305A
Product class:SMD SWITCH
Click:2520times
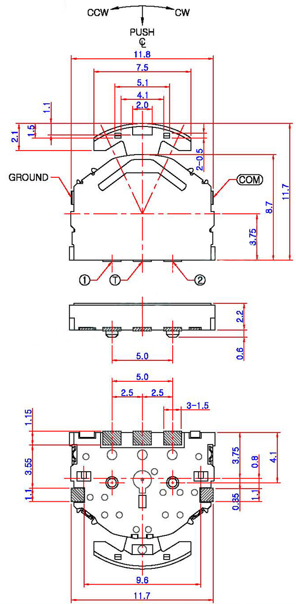
Description:Note 1. Model Type : Multiway Switch 2. Model Name : ST-1305A 3. Rating : 5V DC 10mA 4. Life : 100,000cycles
Note
1. Model Type : Multiway Switch
2. Model Name : ST-1305A
3. Rating : 5V DC 10mA
4. Life : 100,000cycles
