![]() |
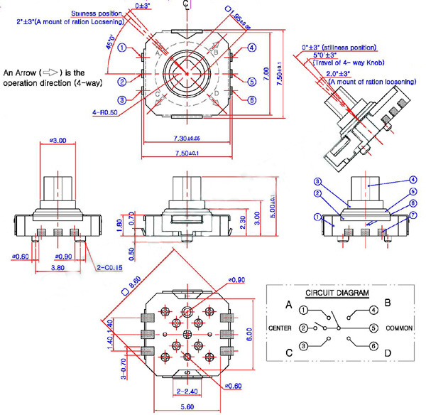
Product name:ST_1501
Product class:SMD SWITCH
Click:2710times
Description:Note 1. Model Type : Multiway Switch 2. Model Name : ST-1501 3. Rating : 12V DC 50mA 4. Life : 100,000cycles
Note
1. Model Type : Multiway Switch
2. Model Name : ST-1501
3. Rating : 12V DC 50mA
4. Life : 100,000cycles
